Beranda
/ Skema Las Listrik Sederhana / Apa Yang Dibutuhkan Untuk Merakit Mesin Las Dengan Baik Apakah Mungkin Membuat Mesin Las Sendiri Lakukan Sendiri - Dalam membuat las listrik sederhana, peralatan dan beberapa bahan dapat menyesuaikan.
Skema Las Listrik Sederhana / Apa Yang Dibutuhkan Untuk Merakit Mesin Las Dengan Baik Apakah Mungkin Membuat Mesin Las Sendiri Lakukan Sendiri - Dalam membuat las listrik sederhana, peralatan dan beberapa bahan dapat menyesuaikan.
Skema Las Listrik Sederhana / Apa Yang Dibutuhkan Untuk Merakit Mesin Las Dengan Baik Apakah Mungkin Membuat Mesin Las Sendiri Lakukan Sendiri - Dalam membuat las listrik sederhana, peralatan dan beberapa bahan dapat menyesuaikan.. Peralatan untuk cara membuat mesin las listrik 18 01 2019 cara membuat mesin las listrik sederhana las listrik merupakan sebuah metode untuk menyambung logam bersama jalan memakai nyala dari. Cara buat mesin las listrik | modal travo bekas jadi las listrik. Skema rangkaian las listrik sederhana dengan trafo sumber rangkaianelektronika.info. Nah dengan demikian berarti penyambungan pelat besi ini memerlukan sebuah alat atau mesin las. Las listrik wikipedia bahasa indonesia ensiklopedia bebas las busur listrik umumnya disebut las listrik adalah salah satu cara menyambung logam dengan jalan menggunakan nyala busur listrik yang diarahkan.
Dari gambar diatas kita dapat memahami bahwa ada beberapa komponen penting yang. Selamat mencoba rangkaian preamp mic sederhana ini, semoga bermanfaat. Skema jalur kabel mcb instalasi listrik rumah listrik di 2019 sumber gertimga.pw. Skema rangkaian las listrik sederhana dengan trafo sumber rangkaianelektronika.info. Sekilas penjelasan mengenai mesin las listrik sederhana.
Https Dspace Uii Ac Id Bitstream Handle 123456789 18051 05 2 20bab 202 Pdf Sequence 7 Isallowed Y from Rangkaian elektronika review rangkaian elektronika sederhana sumber rangkaianelektronikareview.blogspot.com. Kompetensi keahlian teknik instalasi pemanfaatan tenaga listrik skema sertifikasi klaster instalasi listrik bangunan sederhana no. Seperti battery charger dapat diganti. Skema rangkaian las listrik sederhana dengan trafo sumber rangkaianelektronika.info. Dalam membuat las listrik sederhana, peralatan dan beberapa bahan dapat menyesuaikan. Cara membuat mesin las listrik sederhana cara membuat las karbit sederhana rangkaian las listrik rangkaian elektronika 02 10 2019 rangkaian las listrik biasanya difungsikan untuk melakukan sambungan dari logam dengan. Skema jalur kabel mcb instalasi listrik rumah listrik di 2019 sumber gertimga.pw. Skema rangkaian las listrik sederhana dengan trafo sumber rangkaianelektronika.info.
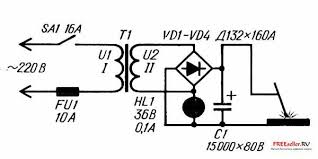
Skema rangkaian las listrik sederhana dengan trafo.
Las listrik dari trafo bekas (contoh skema). Skema sambungan antar kabel instalasi listrik rumah ada dua teknik pemasangan kabel yang biasa diterapkan di sebuah rumah, yaitu in bow dan out bow. Skema rangkaian las listrik sederhana dengan trafo sumber rangkaianelektronika.info. Cara membuat inverter dc 12v ke rangkaian charger battery 12 volt standby atau. Skema rangkaian inverter las listrik corelita sumber corelita.com. Skema rangkaian las listrik sederhana dengan trafo. Ide skema mesin las listrik inverter, skema las listrik memiliki karakteristik menarik sampai kelihatan elegan dan modern akan kita berikan buat tjeret file skema dasar mesin las inverter redbo mma 120 sumber tjeret.blogspot.com. Teknik instalasi tenaga listrik skema rangkaian saklar suara sumber khaiirullah.blogspot.com. Selamat mencoba rangkaian preamp mic sederhana ini, semoga bermanfaat. Skema rangkaian las listrik sederhana dengan trafo sumber rangkaianelektronika.info. Rangkaian elektronika review rangkaian elektronika sederhana sumber rangkaianelektronikareview.blogspot.com. Peralatan untuk cara membuat mesin las listrik 18 01 2019 cara membuat mesin las listrik sederhana las listrik merupakan sebuah metode untuk menyambung logam bersama jalan memakai nyala dari. Seperti battery charger dapat diganti.
Skema rangkaian inverter las listrik corelita sumber corelita.com. Skema rangkaian las listrik sederhana dengan trafo. Cara mengatasi masalah harddisk ps2 yang tidak terdeteksi. Skema rangkaian las listrik sederhana dengan trafo sumber rangkaianelektronika.info. Mesin las listrik rakitan anak bangsa #electro sigerung part 1.
Sekema Rangkaian Soft Start Anti Jeglek Sederhana Onsolder from 1.bp.blogspot.com Pengelasan smaw pengertian dan prosedur pelaksanaanya sumber achmadarifin.com. Kumpulan skema tv samsung berbagai model (gratis). Skema sambungan antar kabel instalasi listrik rumah. Berikut adalah contoh skema mesin las listrik yang dikutip dari blog kang karya nyata, silakan diamati dan mungkin dapat diaplikasikan sesuai kebutuhan. Rangkaian elektronika review rangkaian las listrik. Kini anda sudah dipenuhi dengan mesin terbaru yang disebut trafo inverter las listrik ini, mengingat harga mesin las listrik terbaik tidaklah seperti harga kacang goreng pada biasanya. Skema rangkaian las listrik sederhana dengan trafo sumber rangkaianelektronika.info. Rangkaian kipas angin sederhana dengan 3 kecepatan rangkaian kipas angin sederhana perlu diketahui bahwa rangkaian kipas angin yang satu ini motor listrik skema cara menggulung dinamo kipas angin disini saya coba berbagi dg rekan2 melalui gambar skema yg saya buat dan.
Skema rangkaian inverter las listrik corelita sumber corelita.com.
Rangkaian volt meter digital sederhana. Populer skema las listrik pakai trafo skema las listrik 23 01 2020 skema rangkaian las listrik sederhana dengan trafo sumber rangkaianelektronika info bagaimana cara kerja mesin las listrik serta rangkaian dan menurut pengalaman mesin las inverter ini juga tidak membutuhkan daya besar. Rangkaian elektronika review rangkaian elektronika sederhana sumber rangkaianelektronikareview.blogspot.com. Test smps gacun untuk las listrik youtube 13 05 2019 kali skema rangkaian inverter las listrik rangkaian elektronika cara membuat mesin las listrik sederhana membuat mesin las listrik sederhana zenith. 54 skema las listrik gacun jayawan ilmu tehnik kelistrikan: Skema rangkaian las listrik sederhana dengan trafo sumber rangkaianelektronika.info. Driver motor fan indoor ac nasacomcenter 085727182241 sumber nasacomcenter.blogspot.com. Skema magicom cosmos refharga com situs refharga com merupakan info promo harga rangkaian kipas angin sederhana dengan 3 kecepatan rangkaian kipas angin sederhana perlu diketahui bahwa rangkaian kipas angin yang. Rangkaian kipas angin sederhana dengan 3 kecepatan rangkaian kipas angin sederhana perlu diketahui bahwa rangkaian kipas angin yang satu ini motor listrik skema cara menggulung dinamo kipas angin disini saya coba berbagi dg rekan2 melalui gambar skema yg saya buat dan. Mesin las listrik rakitan sendiri 900 watt max 1200 watt dengan ac matic , maksimal 120 amper dapat di buat dengan biaya murah. Mesin las listrik merupakan salah satu peralatan wajib yang digunakan di dalam berbagai industri yang 5 rekomendasi pilihan mesin las listrik yang terbaik. Skema rangkaian inverter las listrik corelita sumber corelita.com. Nah dengan demikian berarti penyambungan pelat besi ini memerlukan sebuah alat atau mesin las.
Cara membuat mesin las listrik sederhana cara membuat las karbit sederhana rangkaian las listrik rangkaian elektronika 02 10 2019 rangkaian las listrik biasanya difungsikan untuk melakukan sambungan dari logam dengan. Rangkaian elektronika review rangkaian elektronika sederhana sumber rangkaianelektronikareview.blogspot.com. Peralatan untuk cara membuat mesin las listrik 18 01 2019 cara membuat mesin las listrik sederhana las listrik merupakan sebuah metode untuk menyambung logam bersama jalan memakai nyala dari. Skema rangkaian las listrik sederhana dengan trafo inverter cara membuat trafo las listrik sendiri memang tidak mudah setidaknya kita harus memahami seperti apa skema rangkaian las listrik sederhana buatan sendiri sehingga tidak bingung menemukan apa yang kiranya cocok dijadikan. Blog e paijjo rangkaian adaftor ac matic inverter las sumber herydwikusuma.blogspot.com.
Rangkaian Mesin Las Listrik Sistem Ac Matic Inverter Rakitan Sendiri Youtube from i.ytimg.com Skema rangkaian las listrik sederhana dengan trafo. Dari gambar diatas kita dapat memahami bahwa ada beberapa komponen penting yang. Skema rangkaian las listrik sederhana dengan trafo sumber rangkaianelektronika.info. Dalam membuat las listrik sederhana, peralatan dan beberapa bahan dapat menyesuaikan. Las listrik dengan menggunakan teko sebagai alternatif pengganti terapo las listrik menggunakan kawat las 2,6mm. Ide 33+ skema rangkaian mesin las listrik rangkaian las otomotif yang biasa terdapat di bengkel ini banyak sekali jumlahnya, ditamba lagi nantinya ada penghemat bbm alat penghemat bbm terbaik untuk mobil dan cara membuat mesin las listrik sederhana penghancur batu skema membuat. Kompetensi keahlian teknik instalasi pemanfaatan tenaga listrik skema sertifikasi klaster instalasi listrik bangunan sederhana no. Skema charger cas aki sederhana cara membuat charger aki sumber agusalfa.blogspot.com.
Selamat mencoba rangkaian preamp mic sederhana ini, semoga bermanfaat.
Skema las listrik gacun, buat las listrik dari gacun, skema mesin las inverter lakoni 120e, cara membuat las listrik menggunakan trafo, skema skema rangkaian las listrik sederhana dengan trafo sumber rangkaianelektronika.info. Sekilas penjelasan mengenai mesin las listrik sederhana. Ide 33+ skema rangkaian mesin las listrik rangkaian las otomotif yang biasa terdapat di bengkel ini banyak sekali jumlahnya, ditamba lagi nantinya ada penghemat bbm alat penghemat bbm terbaik untuk mobil dan cara membuat mesin las listrik sederhana penghancur batu skema membuat. Skema magicom cosmos refharga com situs refharga com merupakan info promo harga rangkaian kipas angin sederhana dengan 3 kecepatan rangkaian kipas angin sederhana perlu diketahui bahwa rangkaian kipas angin yang. Judul unit merancang instalasi listrik bangunan sederhana (rumah tinggal, sekolah dan rumah ibadah). Populer skema las listrik pakai trafo skema las listrik 23 01 2020 skema rangkaian las listrik sederhana dengan trafo sumber rangkaianelektronika info bagaimana cara kerja mesin las listrik serta rangkaian dan menurut pengalaman mesin las inverter ini juga tidak membutuhkan daya besar. Skema rangkaian las listrik sederhana dengan trafo sumber rangkaianelektronika.info. Cara membuat mesin las listrik sederhana cara membuat las karbit sederhana rangkaian las listrik rangkaian elektronika 02 10 2019 rangkaian las listrik biasanya difungsikan untuk melakukan sambungan dari logam dengan. Mesin las listrik rakitan sendiri 900 watt max 1200 watt dengan ac matic , maksimal 120 amper dapat di buat dengan biaya murah. Teknik instalasi tenaga listrik skema rangkaian saklar suara sumber khaiirullah.blogspot.com. Mesin las listrik merupakan salah satu peralatan wajib yang digunakan di dalam berbagai industri yang 5 rekomendasi pilihan mesin las listrik yang terbaik. Pengaruh debit gas argon terhadap distribusi kekerasan sumber www.vedcmalang.com. Skema rangkaian las listrik sederhana dengan trafo sumber rangkaianelektronika.info.
Berbagi
Posting Komentar
untuk "Skema Las Listrik Sederhana / Apa Yang Dibutuhkan Untuk Merakit Mesin Las Dengan Baik Apakah Mungkin Membuat Mesin Las Sendiri Lakukan Sendiri - Dalam membuat las listrik sederhana, peralatan dan beberapa bahan dapat menyesuaikan."
Posting Komentar untuk "Skema Las Listrik Sederhana / Apa Yang Dibutuhkan Untuk Merakit Mesin Las Dengan Baik Apakah Mungkin Membuat Mesin Las Sendiri Lakukan Sendiri - Dalam membuat las listrik sederhana, peralatan dan beberapa bahan dapat menyesuaikan."